TDA7388/TDA7850四声道功放???/h1>
2020-09-18 14:51:11
二勇
2836
TDA7388/TDA7580是ST公司(意法半导体公司全球第五大半导体公司,服务所有电子细分市场的领先集成器件制造商)生产的四声道汽车专用IC这款芯片采用的是BTL的输出形式,外围原件极少但是音质极佳,安装也非常的方便,封装为25脚双列直插式。电源供电为直流12V-15V,本款产品为四声道功放???,采用最通用的电路模式设计理念也非常的符合IC的整体效果。套件的用料也极其讲究尼康专用的音频电容,飞利浦的薄膜电容,台产的高效滤波电容,为了方便连接,本板的输入输出全部采用了0.5mm的接线端子,方便外接连线。
IC输出功率:
TDA7381---4X25W
TDA7382---4X22W
TDA7388---4X41W
TB2929HQ---4X45W
TDA7850---4X50W
IC可用 7381 7382,TB2929HQ……7388和7850等多款IC(此系列IC仅在于最后一个数字不同,功率不一样,而线路通用)
本板尺寸:(48.5mm*78mm*2mm)
该板适用与汽车改装,产品升级,桌面功放放大???,电脑有源音响升级???。


图一【IC TDA7850】
技术参数:
? 高输出功率能力:
? -4 ×50W/4Ω最大。
? -4 ×30W/4Ω@14.4V的,1KHz的,10%
? -4 ×80W/2Ω最大。
? -4 ×55W/2Ω@14.4V的,1KHz的,10%
? MOSFET输出功率级
? 优秀的驱动能力2Ω
? 高保真级失真
? 低输出噪声
? 意法半导体,由功能
? 静音功能
? 很少的外部元件数量:
? 内部固定增益(为26dB)
? 无需外部补偿
? 无自举电容
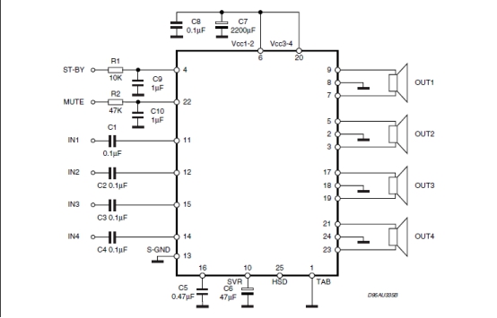
图二【原理图】
图三【产品图】
图四【产品图】
图五【产品图】